
INCH-POUND
MIL-DTL-52286/21A
18 May 2010
SUPERSEDING
MIL-C-52286/21
4 May 1970
DETAIL SPECIFICATION SHEET
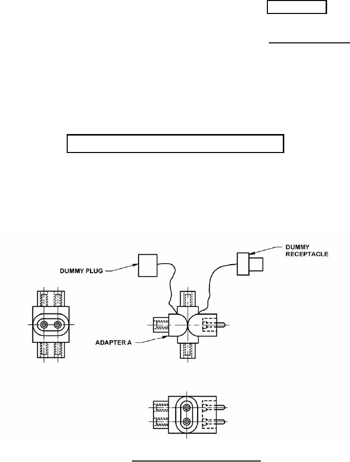
CABLE ASSEMBLY, POWER, ELECTRICAL, ADAPTER
Inactive for new design after 9 December 2003.
This specification is approved for use by all Departments and Agencies of the Department of
Defense.
The requirements for acquiring the product described herein shall consist of this specification
sheet and MIL-DTL-52286, "Cable Assemblies, Power, Electrical (with Molded on
Terminations)".
FIGURE 1. Adapter, cable assembly, three-way.
AMSC N/A
FSC 6150
For Parts Inquires call Parts Hangar, Inc (727) 493-0744
© Copyright 2015 Integrated Publishing, Inc.
A Service Disabled Veteran Owned Small Business